[ Le interfacce RS422 ed RS485 : indice ] [ Pagina precedente ] [ Pagina successiva ]
Lo standard RS485 è dal punto di vista elettrico molto simile all'RS422: alcune differenze minori sono riportate nelle tabelle in appendice.
La differenza sostanziale è il supporto delle linee multi-drop, cioè linee in cui coesistono più ricevitori e trasmettitori sulla stessa coppia di fili. Al fine di evitare conflitti è ovviamente necessario che un solo trasmettitore alla volta sia attivo. Questo implica l'uso di trasmettitori che, oltre alle uscite corrispondenti allo zero e all'uno, possano gestire anche un "terzo stato" in cui l'elettronica appare come fisicamente non collegata alla linea (stato detto ad alta impedenza, three-state o Hi-Z).
I ricevitori possono invece essere tutti attivi contemporaneamente ed in genere lo sono effettivamente.
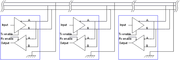
La topologia più usata con questo protocollo è quella a due fili (oltre alla massa) rappresentata nello schema seguente. Questa connessione permette la trasmissione bidirezionale(ma ovviamente non contemporanea) tra due o più nodi che, dal punto di vista elettrico, sono tra loro equivalenti.

La sezione rice-trasmittente di ciascuno dei nodi è evidenziato nella figura da un rettangolo blu.
Le connessioni verso la linea di trasmissione sono costituite semplicemente dai due terminali A e B comuni sia alla sezione di ricezione che a quella di trasmissione e dalla massa. Possono essere ovviamente presenti dei moduli dotati del solo ricevitore o, caso meno probabile, del solo trasmettitore. Il collegamento di terra non ha funzioni nella trasmissione ma è richiesto, come verrà illustrato nella prosecuzione di questa guida.
Ciascun modulo trasmettitore deve possedere verso il dispositivo digitale di un ingresso dati e di un ingresso di abilitazione alla trasmissione, pilotato localmente, che permette di disabilitare il trasmettitore quando non serve: al fine di evitare conflitti è necessario prevedere un qualche meccanismo che impedisca l'attivazione contemporanea di più trasmettitori oppure sia in grado rilevare tali conflitti ed intervenire opportunamente. I driver RS485 sono comunque progettati per non riportare danni anche in caso di corto circuito permanente, limitando la corrente massima a 250 mA.
Nello schema disegnato è previsto anche un segnale di abilitazione del ricevitore, sebbene spesso non necessario: è infatti possibile lasciare tutti i ricevitori sempre attivi oppure collegare insieme i due ingressi di abilitazione essendo normalmente attivi su livelli logici opposti.
Lo standard originario permette la connessione di massimo 32 ricevitori ma utilizzando integrati a basso assorbimento tale limite può essere abbondantemente superato.
Le interfacce RS422 e RS485 - Versione 2.0h - Settembre
2001
Copyright © 2001, Vincenzo Villa (https://www.vincenzov.net)
Permission is granted to copy, distribute and/or modify this document under the terms of the GNU Free Documentation License, Version 1.2 or any later version published by the Free Software Foundation; with no Invariant Sections, with no Front-Cover Texts and with no Back-Cover Texts. A copy of the license is included in the section entitled "GNU Free Documentation License".