Home → Tutorial →
Appunti scolastici →
Circuiti DC → Principi di Kirchhoff →
Laboratorio 2

Con queste attività misureremo tensioni e correnti relative a circuiti
che contengono porte logiche, verificando che anche in questi casi i
principi di Kirchhoff sono rispettati.
In molti casi l'alimentazione della porta logica non è indicata negli
schemi, ma deve ovviamente essere presente e tenuta in considerazione.
Qualche informazione preliminare
Le porte logiche più semplici sono normalmente contenute all'interno di un circuito
integrato DIP (Dual In-line Package), come quello mostrato al
centro della
fotografia di apertura, inserito in una breadboard.
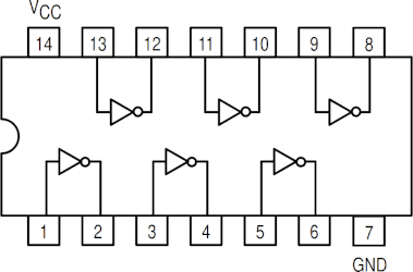
L'immagine seguente (pin out) mostra come gli ingressi e le
uscite delle singole porte logiche sono collegati ai piedini fisici (pin).
La figura seguente è relativa ad un integrato contenete sei
inverter. Essa è valida per
molti integrati diversi, ciascuno identificato da una sigla: 74CH04, 74HC14,
74LS04, CD4069, CD40106...

Alcune osservazioni, da leggere con attenzione:
- la "tacca" sulla sinistra permette di orientare correttamente il
circuito integrato. Banalmente: è sufficiente osservare le scritte
presenti sul contenitore...
- la numerazione dei pin è sempre in senso antiorario, da 1 a 14 in
questo caso
- individuare il pin VCC, da collegare all'alimentazione positiva, per
esempio +5 V
- individuare il pin GND, da collegare alla massa (ground)
- gli ingressi delle porte non utilizzate DEVONO essere sempre collegati a
massa oppure a VCC, direttamente oppure attraverso un resistore (nota 2)
- le uscite delle porte non utilizzate possono essere lasciate non
collegate
Per informazioni più dettagliata:
Laboratorio: porte logiche
Attività 1 - LED collegato a massa
In questo primo circuito il LED è acceso se l'uscita della
porta NOT ha valore logico alto,
cioè se l'ingresso ha valore logico basso.

La resistenza R
deve essere compresa tra 300 Ω ed 1 kΩ; è opportuno misurare con
il multimetro il suo
valore e non limitarsi alla lettura dei
codice dei colori.
Prima di proseguire è bene controllare il funzionamento del circuito:
- collegare l'ingresso dell'inverter a massa, come mostrato nello
schema: il LED deve essere acceso
- collegare l'ingresso dell'inverter a Vcc: il LED deve essere spento
Dopo aver realizzato il circuito mostrato:
- misurare le tensioni presenti nella maglia di uscita, come indicato alla
pagina principi di Kirchhoff, esempio 6 e
verificare l'equazione alla maglia
- come cambiano le tensioni VOH, VR e VLED cambiando il
valore di R? In particolare verificare cosa
succede (raccogliere i dati in una tabella Calc/Excel) se:
- R raddoppia (circa) rispetto al valore iniziale
- R dimezza (circa) rispetto al valore iniziale
- R ha valore 10 Ω o meno, praticamente trascurabile
- la corrente di uscita è nulla (circuito aperto)
- verificare che l'equazione alla maglia è sempre verificata per tutte
le righe presenti nella tabella ricavata al punto precedente
- come cambia la corrente nel LED al cambiare di R? Utilizzare i dati
contenuti nella tabella ricavata al punto precedente
- calcolare la potenza dissipata da R e dal LED in corrispondenza di
tutte le righe presenti nella tabella ricavata al punto precedente
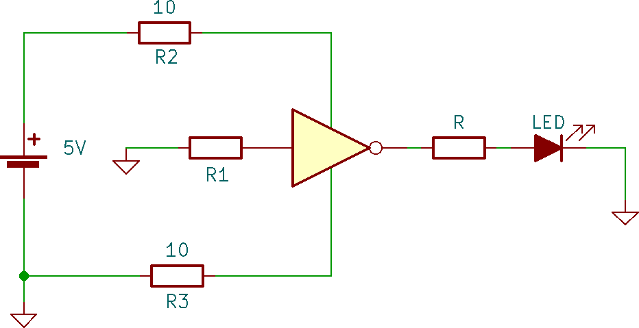
[ Approfondimento ] Attività 1bis - Correnti
L'analisi delle correnti nel circuito descritto nella
Attività 1 è complessa.
Come primo passo occorre considerare esplicitamente i pin di
alimentazione e la presenza di sei inverter all'interno del circuito
integrato. Utile far riferimento alla pagina principi di Kirchhoff, esempio
9.
Un singolo inverter potrebbe essere ridisegnato nel modo seguente:

Possiamo considerare l'intero circuito integrato contenuto in una
superficie chiusa, indicata con un cerchio verde nel disegno seguente
(nota 3):

Per tale "nodo" possiamo scrivere l'equazione delle correnti secondo Kirchhoff:
- la corrente in uscita alla porta logica può essere facilmente
ottenuta misurando la tensione ai capi di R ed applicando la legge di
Ohm
- per le altre tre correnti possiamo procedere (scelta sconsigliata) alla misura diretta con un
amperometro; in alternativa (scelta consigliata) possiamo inserire:
- un resistore R1 per collegare l'ingresso della porta logica a
massa, invece che un collegamento diretto. Tale resistore deve
essere molto grande se vogliamo misurare la piccola corrente di
ingresso (nota 1)
- una piccola resistenza R2 da 10 Ω tra il +5 V dell'alimentazione
ed il pin VCC
- una piccola resistenza R3 da 10 Ω tra la massa dell'alimentatore
ed il pin GND
- un resistore per collegare l'ingresso delle porte logiche non
utilizzate a massa, invece che un collegamento diretto. Tale
resistore deve essere molto grande se vogliamo misurare la piccola
corrente di ingresso (nota 1)
L'immagine seguente mostra lo schema elettrico risultante, relativo alla
sola porta utilizzata:

L'immagine di apertura mostra una possibile
realizzazione fisica.
Per verificare l'equazione di Kirchhoff ai nodi occorre fare riferimento
alla pagina principi di Kirchhoff, esempio 9,
misurare le tensioni ai capi delle resistenze ed usare la legge di Ohm per
ricavare le varie correnti.
Anche in questo caso è possibile modificare il
valore di R ed inserire i dati in una tabella.
Attività 2 - LED collegato a VCC
Realizzare il circuito mostrato ala pagina principi di Kirchhoff, esempio 7.
Prima di proseguire è bene controllare il funzionamento del circuito:
- collegare l'ingresso dell'inverter a massa: l'uscita è alta e il LED
deve essere spento
- collegare l'ingresso dell'inverter a Vcc: l'uscita è bassa e il LED
deve essere acceso
Ripetere le stesse misure della precedente attività:
- misurare le tensioni presenti nella maglia di uscita e verificare
l'equazione alla maglia
- in base alle misure del punto precedente, quanto vale la corrente
nel LED? Quale verso ha? Dove va la corrente che "entra" dall'uscita
della porta logica?
- cambiare il valore di R e riportare i dati in una tabella
- [Approfondimento] Verificare che le correnti che entrano nel
circuito integrato coincidono con quelle che escono, utilizzando le
tecniche descritte nella Attività 1bis
Attività 3 - Due LED
Analizzare il seguente circuito, individuando versi e valori di tensioni
e correnti sia quando l'uscita della porta logica è alta che quando è bassa.

ATTENZIONE: nello schema l'ingresso della porta è
scollegato, ma nella realizzazione fisica DEVE essere collegato a Vcc oppure
GND.
Prima di effettuare misure, verificarne il funzionamento: a seconda
dell'ingresso collegato a massa o Vcc, è acceso un LED oppure l'altro.
Si consiglia, prima di realizzare il circuito e misurare tensioni e
correnti, di immaginare l'andamento delle correnti. Utile anche far
riferimento all'esercizio 12 della
pagina Principi di Kirchhoff: esercizi.
Note
- Queste correnti potrebbero essere MOLTO piccole: molti multimetri
non sono neppure lontanamente in grado di misurare le tensioni ai capi
del resistore se questo non è davvero molto elevato. Con il resistore da
10 kΩ mostrato nell'immagina di apertura, la tensione
misurata è dell'ordine del centesimo di mV!
- Questa affermazione non è completamente vera per le logiche in tecnologia TTL,
quali per esempio 74LS04,
oggi obsolete
- Lo schema riporta una sola porta logica, ma nella realtà le porte
sono sei e quindi 14 le correnti da considerare, sebbene molte nulle;
utile far riferimento a principi di Kirchhoff, esempio
9
Data di creazione di questa pagina: gennaio 2021
Ultima modifica: 24 ottobre 2025